SF 系列

对开法兰连接器保护盖

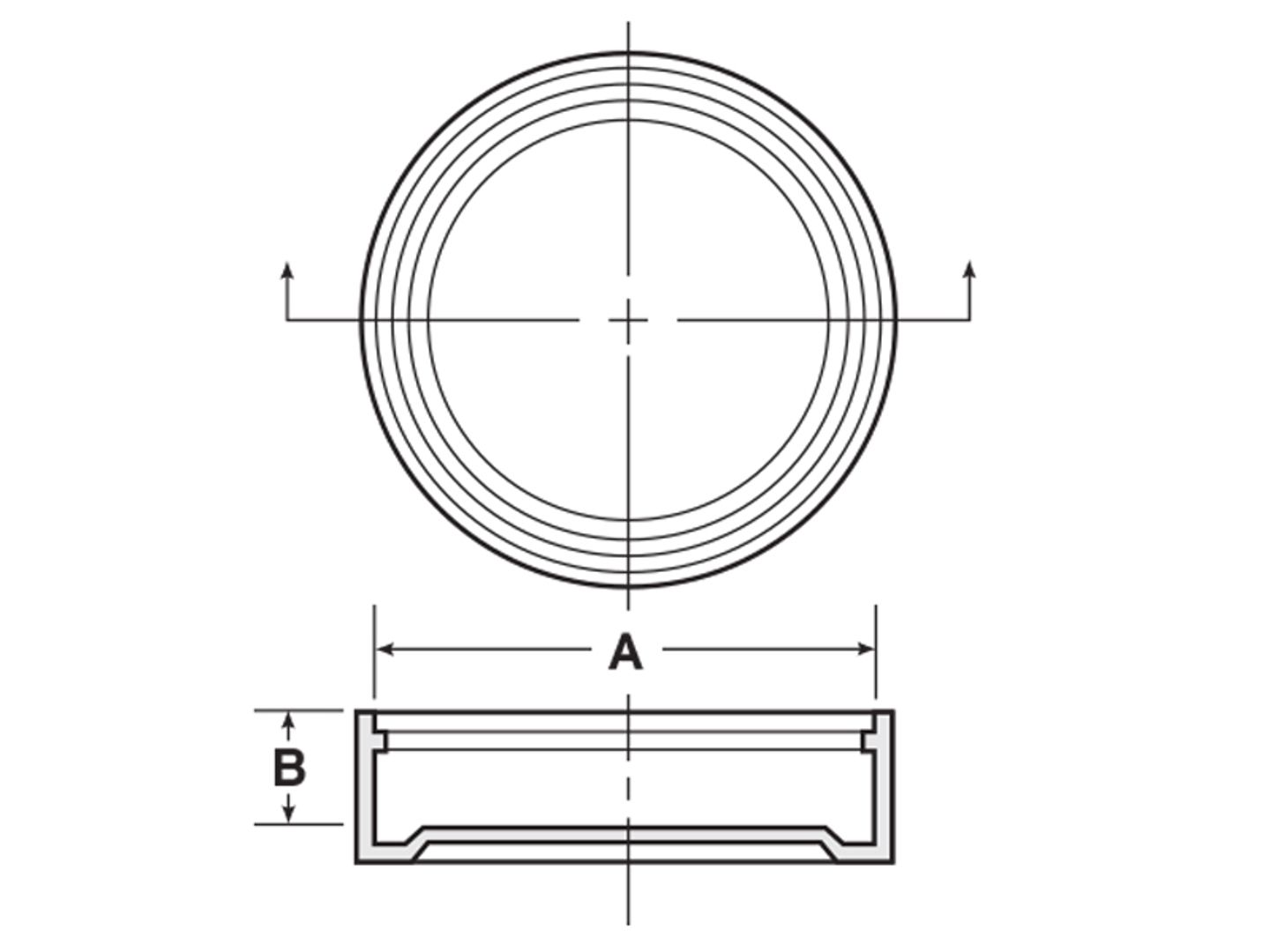
SF系列保护盖设计用于保护四螺栓对开法兰连接件

  • 接入式安装,内部的锁环可以牢固地将部件锁住

  • 安装后仍可见内部O型圈

  • 采用本色半透明聚乙烯制成

  • 带内部锁环

材料:低密聚乙烯
使用温度: -70 - 79° C ( -94 - 175° F)
标准颜色:本色

如需产品报价和交货期,敬请拨打电话400-828-9096联系我们的销售团队。

所有的目录产品均可提供免费样品供您试用。

采购选项

使用产品尺寸进行过滤
输入最小和最大测量值以过滤列表。
最小 (${filter.dimType=='inch'?'In':'MM'})
最大 (${filter.dimType=='inch'?'In':'MM'})
${total} 零件尺寸
${item.name}: ${item.list}
清除
Item # ${item.name}
${item.name} ${item[getFieldName(itemA)]}
没有数据.
请在订购前利用我们的免费样品在您的特定应用/环境中测试零件。